電壓互感器看起來簡單,但接線方式也是靈活多樣的,在此我介紹幾種給大家參考。
電壓互感器電力系統中通常有四種接線方式,電壓互感器接線接地、相位等必須按嚴格的接法,并且電壓互感器二次側嚴禁短路。
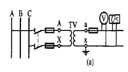
1.一個單相電壓互感器的接線,用于對稱的三相電路,二次側可接儀表和繼電器,如圖1(a)。
10KV單相電壓互感器接線圖
這種接法是最簡單的,但只能測一相電壓,互感器的二次側要求接地即可。
2.兩個單相電壓互感器的V/V形接線,可測量線電壓,但不能測相電壓,它廣泛應用在20kV以下中性點不接地或經消弧線圖接地的電網中。如圖1(b)。
V/V接法
V/V連接的兩個電壓互感器二次側兩個開口端之間的電壓與其一次側的兩個開口端電壓存在對應的相量關系。也就是說,二次側兩個開口端及公共端之間的電壓也同樣滿足電源三相電壓的關系。
因此,雖然“B相無電壓”(未施加任何電壓),輸出端的電量仍然是三相電量。左圖是正確接線,從相量圖看三相平衡;右圖是錯誤接線,從相量圖看三相不平衡。
V/V接法向量分析圖
另外,V/V接法也要注意互感器的極性,否則也會造成錯誤。
注意極性
如上圖,圖1、圖2是正確的Vv接法,但圖3是VΛ接法,AB、CB兩相電壓反向了180°,所以V變成v后,反相成對頂狀態。故,圖3不是Vv接法。
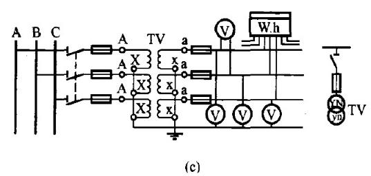
3.三個單相電壓互感器接成YN/YN形,如圖1(c)。可供給要求測量線電壓的儀表和繼電器,以及要求供給相電壓的絕緣監察電壓表。
4.一臺三相五芯柱電壓互感器接成YN/YN/Δ(開口三角形),如圖1(d)所示。接成Y0形的二次線圈供電給儀表、繼電器及絕緣監察電壓表等。輔助二次線圈接成開口三角形,供電給絕緣監察電壓繼電器。當三相系統正常工作時,三相電壓平衡,開口三角形兩端電壓為零。當某一相接地時,開口三角形兩端出現零序電壓,使絕緣監察電壓繼電器動作,發出信號。
綜上,電壓互感器的接法不是孤立不變的,他應該根據用戶的實際需求,成本,使用功能等因素綜合考慮,如果只要用到計量或是提供操作電源,那就用VV接法即可。但要有絕緣監視等功能,那或許就要用到YN/YN/Δ(開口三角形)接法了。
10kv電壓互感器在安裝使用中注意事項:
1、電壓互感器二次側不允許短路。由于電壓互感器內阻抗很小,若二次回路短路時,會出現很大的電流,將損壞二次設備甚至危及人身安全。電壓互感器可以在二次側裝設熔斷器以保護其自身不因二次側短路而損壞。在可能的情況下,一次側也應裝設熔斷器以保護高壓電網不因互感器高壓繞組或引線故障危及一次系統的安全。
2、接在電壓互感器二次側負荷的容量應合適,接在電壓互感器二次側的負荷不應超過其額定容量,否則,會使互感器的誤差增大,難以達到測量的正確性。
3、電壓互感器的接線應保證其正確性,一次繞組和被測電路并聯,二次繞組應和所接的測量儀表、繼電保護裝置或自動裝置的電壓線圈并聯,同時要注意極性的正確性。
4、電壓互感器在投入運行前要按照規程規定的項目進行試驗檢查。例如,測極性、連接組別、搖絕緣、核相序等。
另就電壓互感器使用中常見異常也做了梳理總結:
1、電弧放電,可以是串級繞組對鐵芯放電,絕緣支持架不良而放電;絕緣進水受潮;一次繞組末端未接地;
2、懸浮電位放電,可能是穿芯螺栓和鐵芯連接松動,造成螺栓處于懸浮電位;金屬異物處于懸浮電位放電;絕緣支架螺母電位懸浮;
3、中性點非有效接地系統,三相電壓指示不平衡:一相降低(可為零),另兩相升高(可達線電壓)或指針擺動,可能是單相接地故障或基頻諧振,如三相電壓同時升高,并超過線電壓(指針可擺到頭),則可能是分頻或高頻諧振;
4、高壓熔斷器多次熔斷,可能是內部絕緣嚴重損壞,如繞組層間或匝間短路故障;
5、中性點有效接地系統,母線倒閘操作時,出現相電壓升高并以低頻擺動,一般為串聯諧振現象;若無任何操作,突然出現相電壓異常升高或降低,則可能是互感器內部絕緣損壞,如絕緣支架繞、繞組層間或匝間短路故障;
6、中性點有效接地系統,電壓互感器投運時出現電壓表指示不穩定,可能是高壓繞組N(X)端接地接觸不良。








